Описание модели TRSA 200-2500 F
Водокольцевой вакуумный насос Pompetravaini TRSA 200-2500 F производит вакуум в закрытых емкостях путем откачки воздуха, газа, конденсирующихся паров. Это мощный одноступенчатый насос с фланцевыми патрубками 200 мм, соединенными попарно посредством манифольда. Насос может поставляется как в консольном (на раме), так и в моноблочном исполнении с муфтой. Корпус, проточная часть и рабочее колесо выполнены из чугуна, вал из нержавеющей стали (AISI 420). Насос производится итальянской компанией Pompetravaini в соответствии с требованиями стандарта ISO 9001.
Производительность насоса до 2500 м3/час, предельный вакуум 200 мбар.
Расход сервисной жидкости 200 л/мин. При выключенном насосе внутри остается жидкость в объеме 59 литров.
Насос оснащен трехфазным двигателем 380 В, мощностью 75,0 кВт, 730 оборотов в минуту.
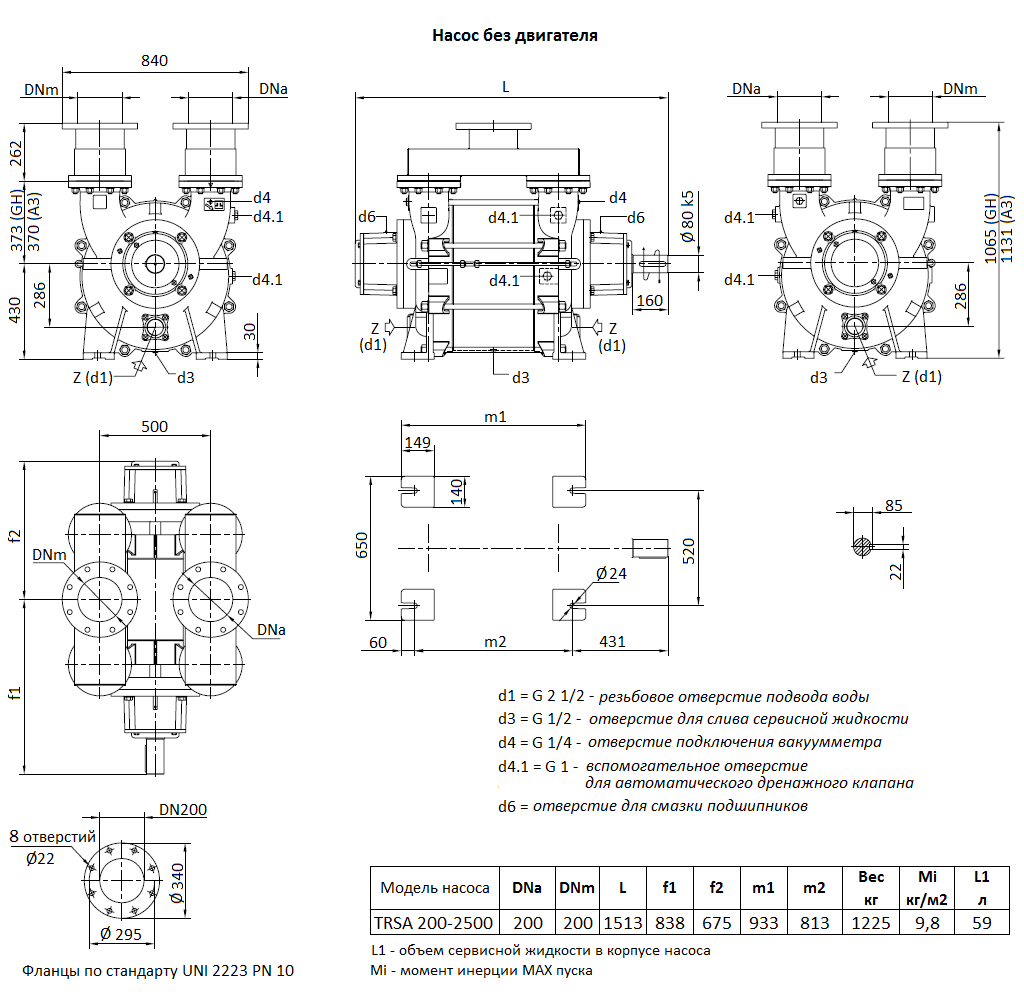
Габаритный чертеж вакуумного насоса Pompetravaini TRSA 200-2500 F
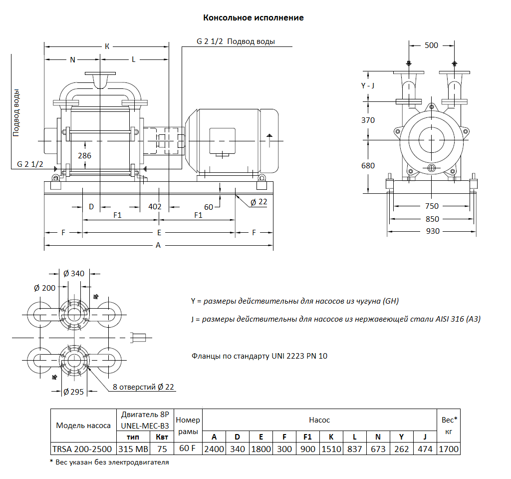
Габаритный чертеж вакуумного насоса Pompetravaini TRSA 200-2500 F
Кривые производительности
У нас пока нет отзывов по этой модели.
В настоящее время никто вопросов не задавал. Вы можете быть первым.




































_1.jpg)




























































































































































































































































Гарантия 12 мес.