Описание модели TRHE 40-140 F
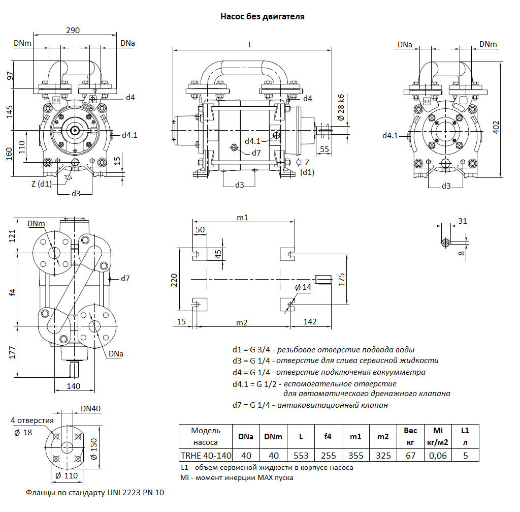
Водокольцевой вакуумный насос Pompetravaini TRHE 40-140 F откачивает закрытые объемы сухих и влажных газов до остаточного вакуума 33 мбар. Это двухступенчатый насос с фланцевыми патрубками 40 мм, выходной патрубок первой камеры соединен манифольдом с входным патрубком второй камеры. Насос может поставляться как в консольном (на раме), так и в моноблочном исполнении с муфтой. Корпус, проточная часть и рабочие колеса выполнены из чугуна, вал из нержавеющей стали (AISI 420). Насос производится итальянской компанией Pompetravaini в соответствии с требованиями стандарта ISO 9001.
Производительность насоса до 140 м3/час, предельный вакуум 33 мбар.
Расход сервисной жидкости 13,3 л/мин. При выключенном насосе внутри остается жидкость в объеме 5 литров.
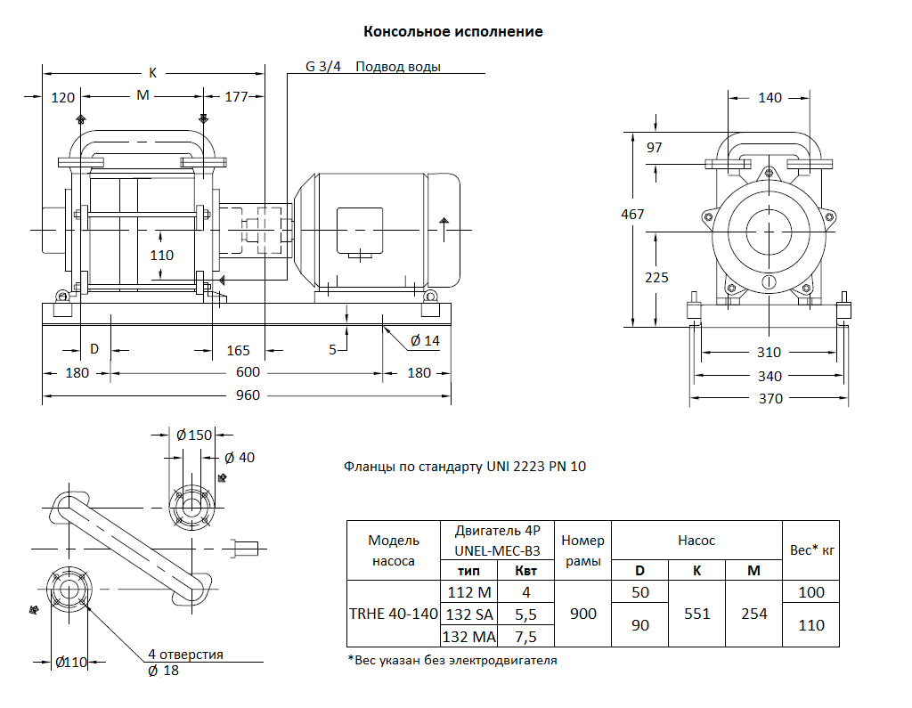
Насос оснащен трехфазным двигателем 380 В, мощностью 4,0 кВт, 1450 оборотов в минуту.
Габаритный чертеж вакуумного насоса Pompetravaini TRHE 40-140 F
Габаритный чертеж вакуумного насоса Pompetravaini TRHE 40-140 F
Габаритный чертеж вакуумного насоса Pompetravaini TRHE 40-140 F
Кривые производительности
У нас пока нет отзывов по этой модели.
В настоящее время никто вопросов не задавал. Вы можете быть первым.




































_1.jpg)




























































































































































































































































Гарантия 12 мес.