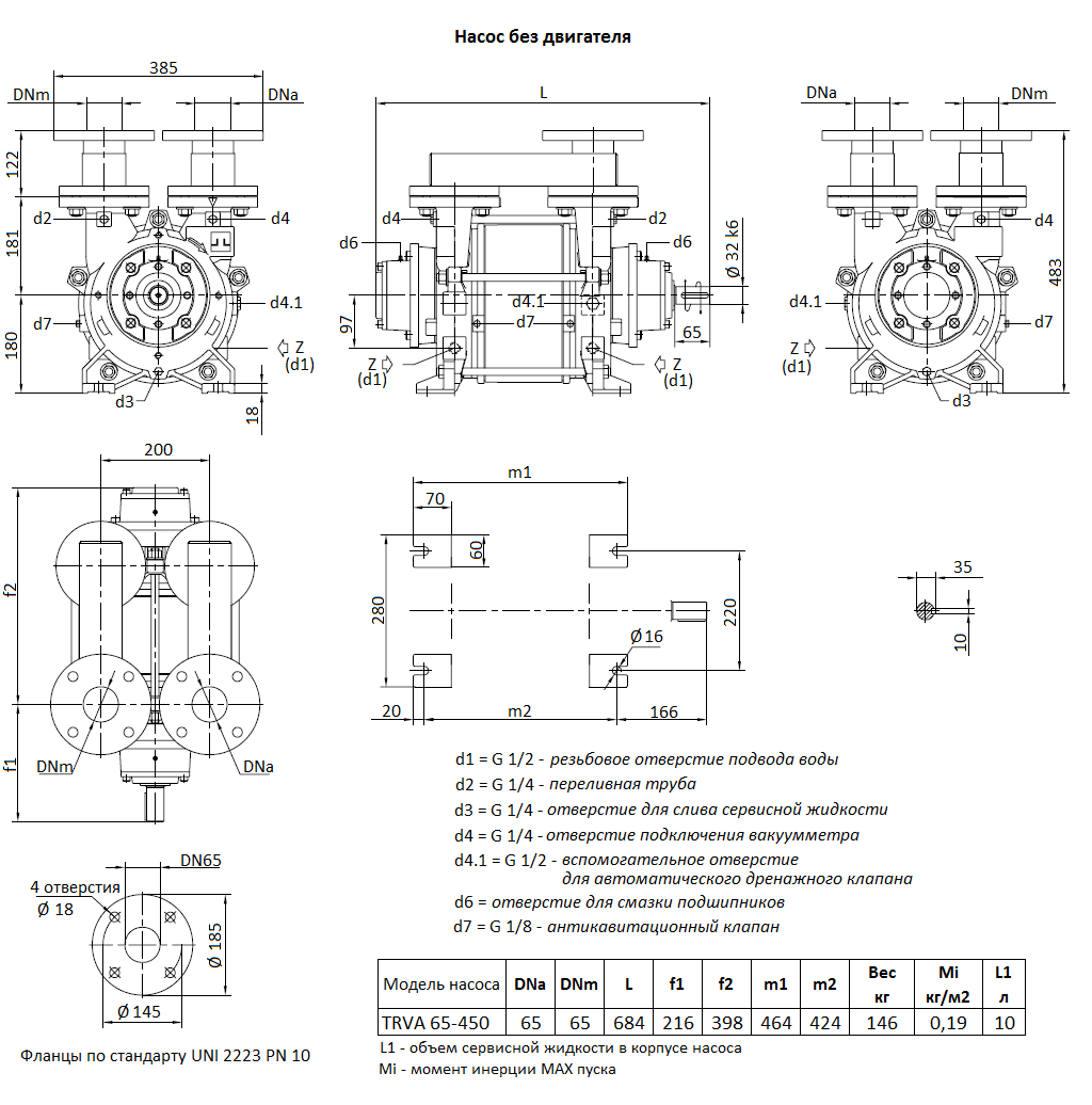
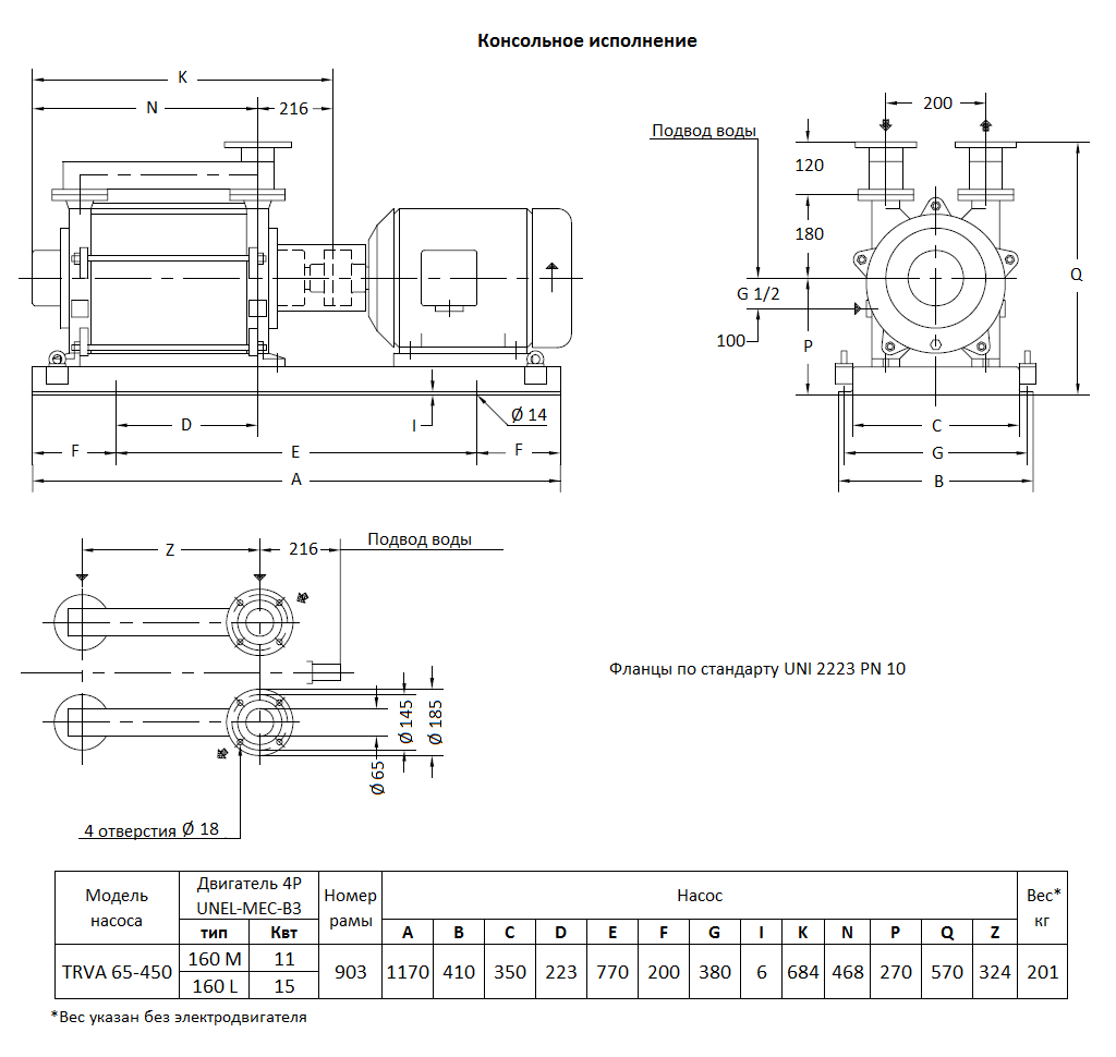
Описание модели TRVA 65-450 F
Водокольцевой вакуумный насос Pompetravaini TRVA 65-450 F предназначен для создания вакуума в закрытых емкостях. Это консольный одноступенчатый насос с 4 фланцевыми 65 мм патрубками. Всасывающие и напорные патрубки попарно соединены друг с другом посредством манифольда. Корпус, проточная часть и рабочее колесо насоса выполнены из чугуна, вал из нержавеющей стали (AISI 420). Насос производится итальянской компанией Pompetravaini, применяется в центральных вакуумных и осушительных системах, при деаэрации, вакуумной фильтрации.
На большей части рабочего диапазона насоса сохраняется высокая производительность до 450 м3/час с равномерным распределением остаточного давления до итогового значения 33 мбар.
Расход сервисной жидкости 2,4 м3/час (40 л/мин). При выключенном насосе внутри остается жидкость в объеме 10 литров.
Насос оснащен трехфазным двигателем 380 В (50 Гц), 4P (1450 об/мин), мощностью 11 кВт.
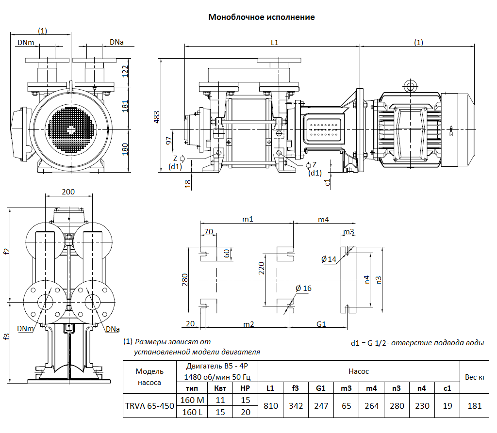
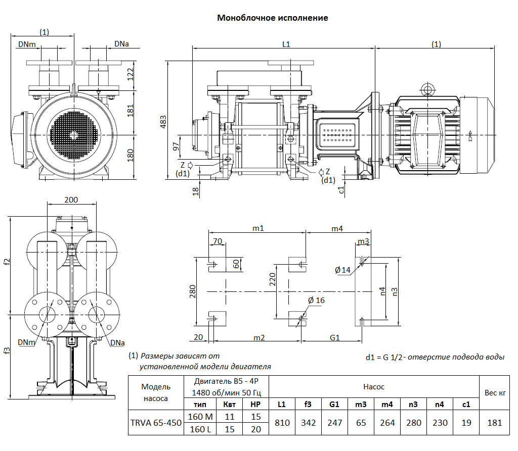
Габаритный чертеж вакуумного насоса Pompetravaini TRVA 65-450 F
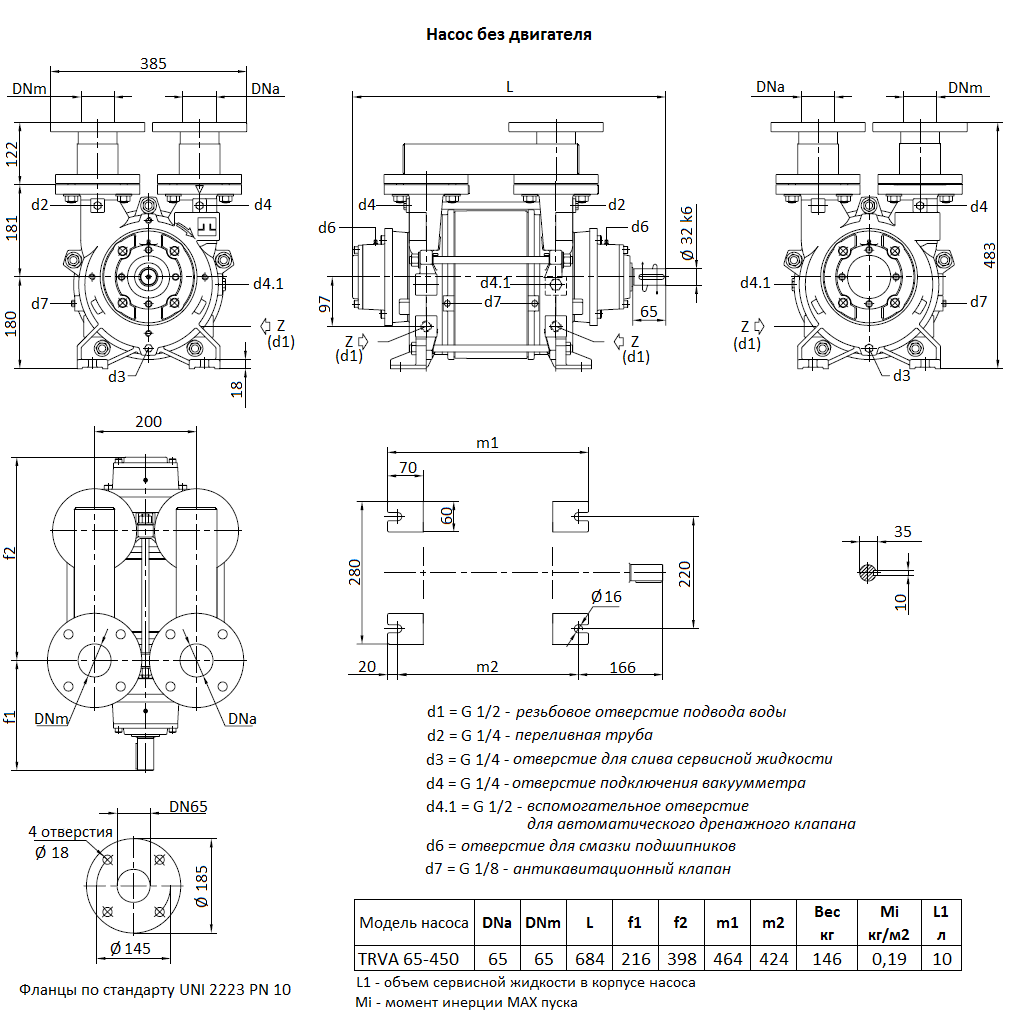
Габаритный чертеж вакуумного насоса Pompetravaini TRVA 65-450 F
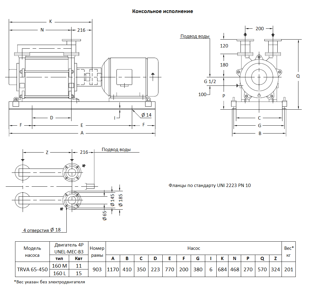
Габаритный чертеж вакуумного насоса Pompetravaini TRVA 65-450 F
Кривые производительности
У нас пока нет отзывов по этой модели.
В настоящее время никто вопросов не задавал. Вы можете быть первым.




































_1.jpg)




























































































































































































































































Гарантия 12 мес.