Описание модели TRSE 40-100* F
Водокольцевой вакуумный насос Pompetravaini TRSE 40-100* F производит вакуум в закрытых емкостях путем откачки воздуха, газа, конденсирующихся паров. Это мощный одноступенчатый насос с фланцевыми патрубками 40 мм, соединенными друг с другом посредством манифольда. Насос может поставляется как в консольном (на раме), так и в моноблочном исполнении с муфтой. Корпус, проточная часть и рабочее колесо насоса выполнены из чугуна, вал из нержавеющей стали (AISI 420). Насос производится итальянской компанией Pompetravaini в соответствии с требованиями стандарта ISO 9001.
Производительность насоса до 100 м3/час, предельный вакуум 150 мбар.
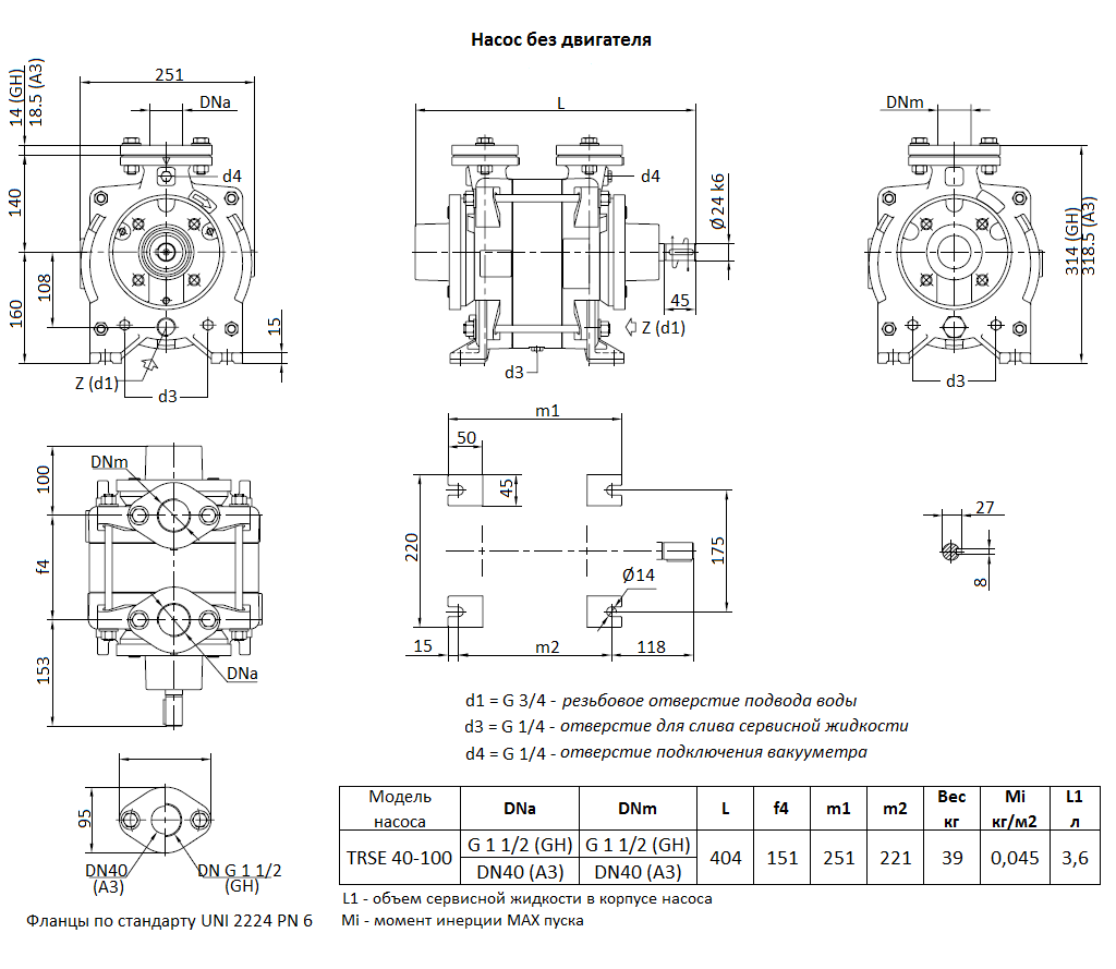
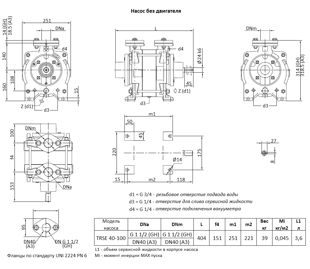
Расход сервисной жидкости 10,8 л/мин. При выключенном насосе внутри остается жидкость в объеме 3,6 литра.
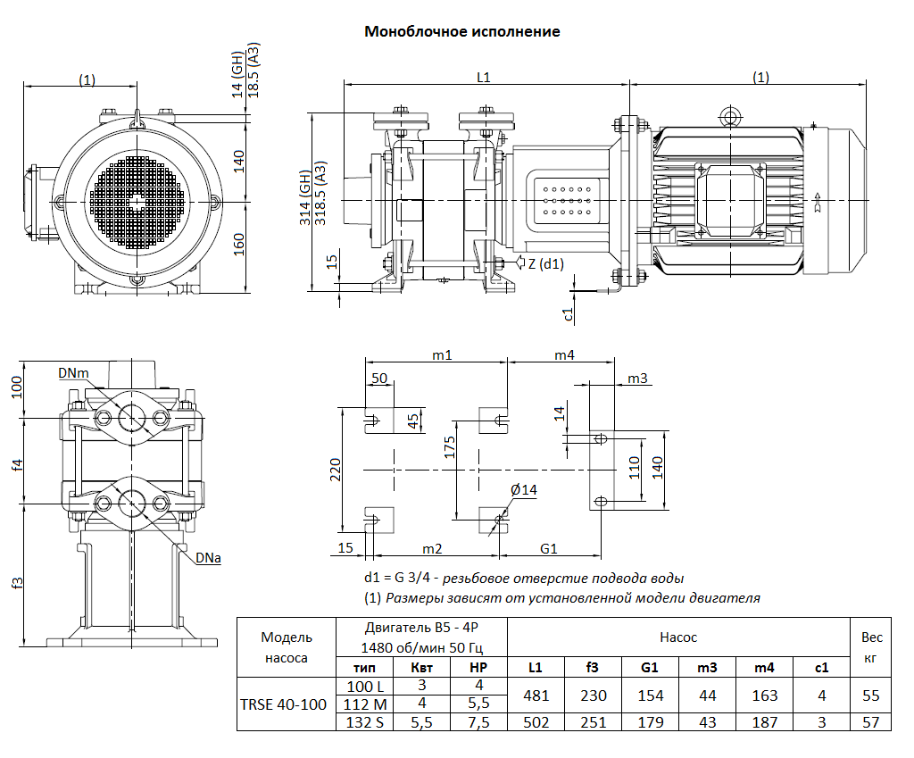
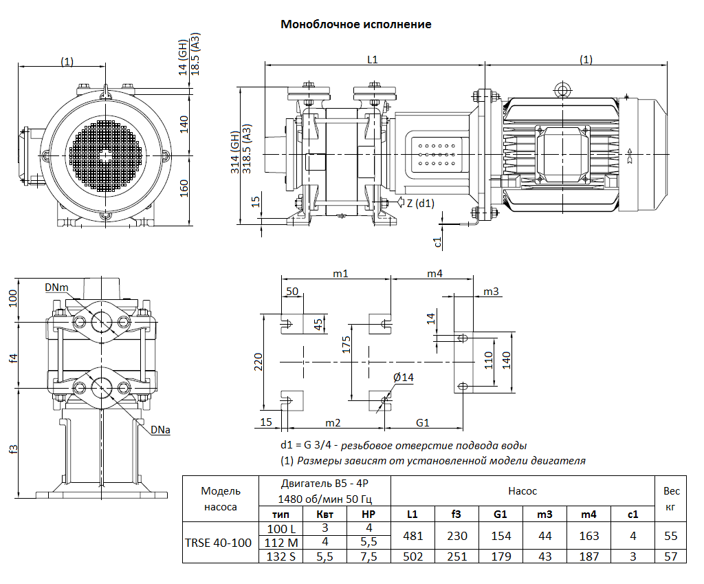
Насос оснащен двигателем 380 В, мощностью 3,0 кВт, 1450 оборотов/минуту.
Габаритный чертеж вакуумного насоса Pompetravaini TRSE 40-100* F
Габаритный чертеж вакуумного насоса Pompetravaini TRSE 40-100* F
Габаритный чертеж вакуумного насоса Pompetravaini TRSE 40-100* F
Кривые производительности
У нас пока нет отзывов по этой модели.
В настоящее время никто вопросов не задавал. Вы можете быть первым.




































_1.jpg)




























































































































































































































































Гарантия 12 мес.