Описание модели TRMB 32-75 GH
Одноступенчатый вакуумный насос Pompetravaini TRMB 32-75 GH предназначен для создания вакуума в закрытых емкостях. Это моноблочный насос с резьбовыми патрубками 32 мм. Корпус и проточная часть насоса выполнены из чугуна, вал из нержавеющей стали (AISI 420), рабочее колесо из бронзы. Насос производится итальянской компанией Pompetravaini, используется в центральных вакуумных и осушительных системах, при дегазации жидкостей, вакуумной фильтрации и удалении растворителей.
Производительность насоса до 75 м3/час. Предельный вакуум 33 мбар.
Расход сервисной жидкости 12 л/мин.
Насос оснащен трехфазным двигателем 380 В (50 Гц), 2P (2900 об/мин), мощностью 3 кВт. Степень защиты IP 55.
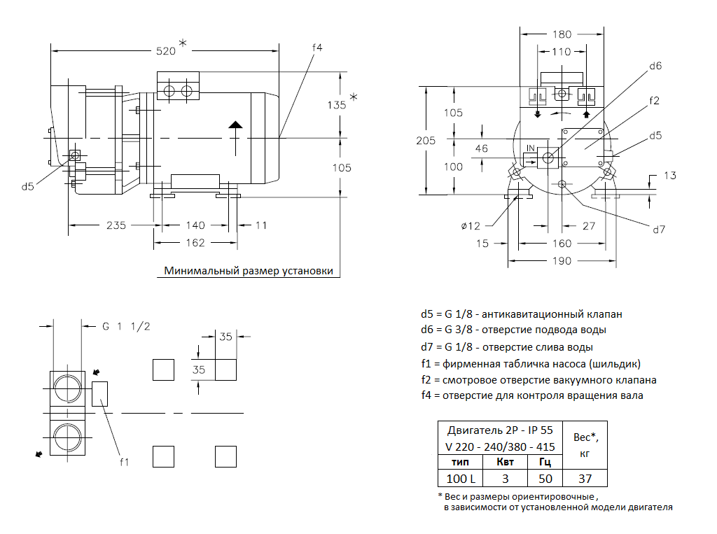
Габаритный чертеж вакуумного насоса Pompetravaini TRMB 32-75 GH
Кривые производительности
У нас пока нет отзывов по этой модели.
В настоящее время никто вопросов не задавал. Вы можете быть первым.




































_1.jpg)




























































































































































































































































Гарантия 12 мес.