Описание модели TRSE 32-50* RX
Водокольцевой вакуумный насос Pompetravaini TRSE 32-50* RX производит вакуум в закрытых емкостях путем откачки воздуха, газа, конденсирующихся паров. Это мощный одноступенчатый насос с фланцевыми патрубками 32 мм, соединенными друг с другом посредством манифольда. Насос может поставляется как в консольном (на раме), так и в моноблочном исполнении с муфтой. Корпус и проточная часть насоса выполнены из чугуна, вал из нержавеющей стали (AISI 420), рабочее колесо из нержавеющей стали (AISI 304). Насос производится итальянской компанией Pompetravaini в соответствии с требованиями стандарта ISO 9001.
Производительность насоса до 50 м3/час, предельный вакуум 150 мбар.
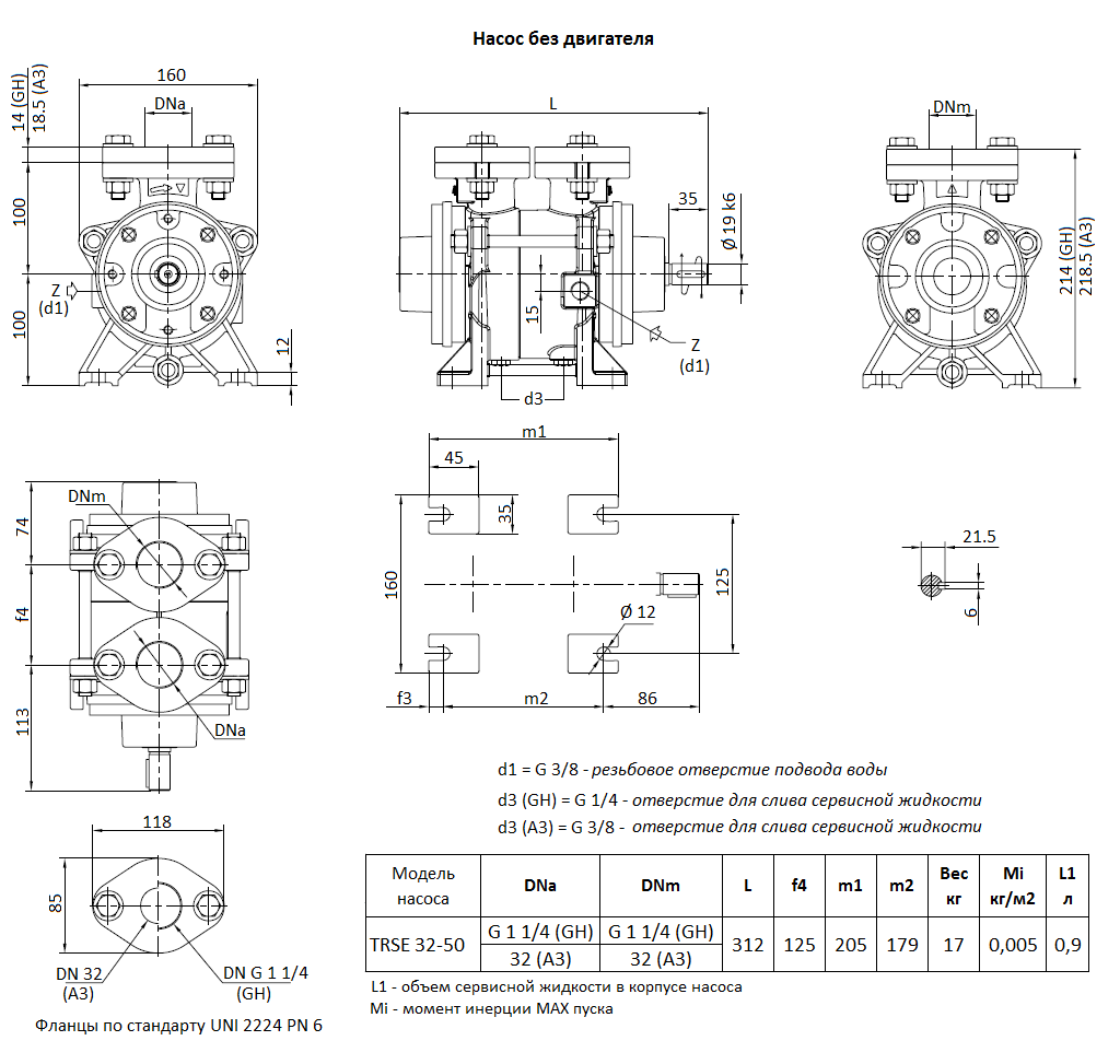
Расход сервисной жидкости 5,3 л/мин. При выключенном насосе внутри остается жидкость в объеме 0,9 литра.
Насос оснащен двигателем 380/220 В, мощностью 1,5 кВт, 2900 оборотов/минуту.
Габаритный чертеж вакуумного насоса Pompetravaini TRSE 32-50* RX
Габаритный чертеж вакуумного насоса Pompetravaini TRSE 32-50* RX
Габаритный чертеж вакуумного насоса Pompetravaini TRSE 32-50* RX
Кривые производительности
У нас пока нет отзывов по этой модели.
В настоящее время никто вопросов не задавал. Вы можете быть первым.




































_1.jpg)




























































































































































































































































Гарантия 12 мес.