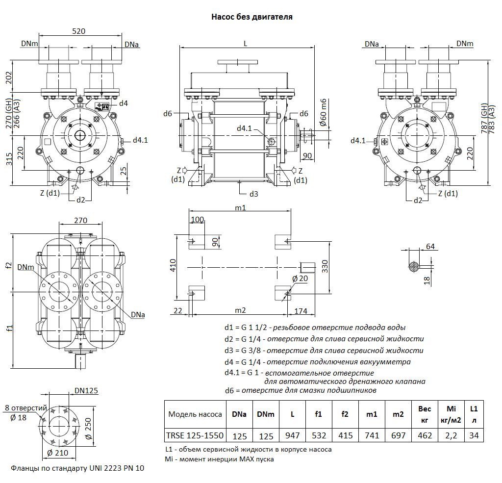
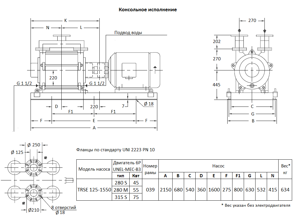
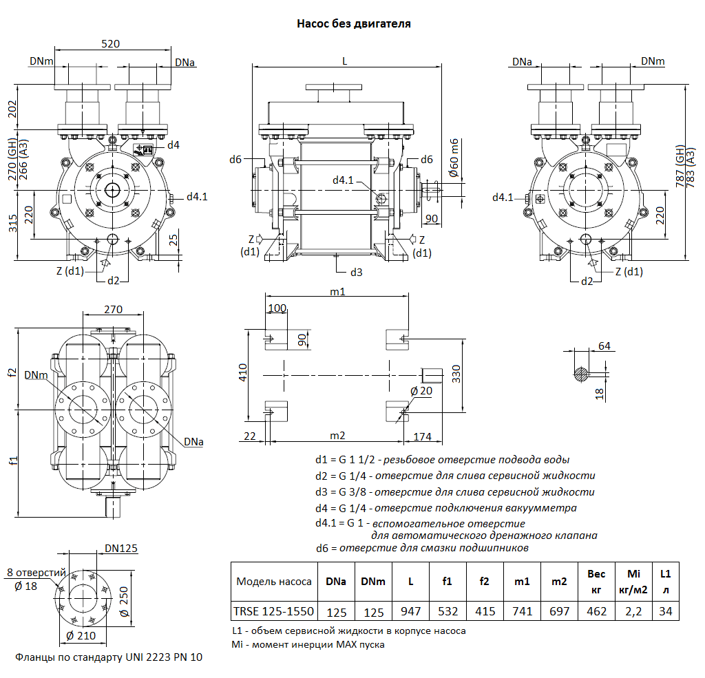
Описание модели TRSE 125-1550 F
Водокольцевой вакуумный насос Pompetravaini TRSE 125-1550 F производит вакуум в закрытых емкостях путем откачки воздуха, газа, конденсирующихся паров. Это мощный одноступенчатый насос с фланцевыми патрубками 125 мм, соединенными друг с другом посредством манифольда. Насос может поставляется как в консольном (на раме), так и в моноблочном исполнении с муфтой. Корпус, проточная часть и рабочее колесо выполнены из чугуна, вал из нержавеющей стали (AISI 420). Насос производится итальянской компанией Pompetravaini в соответствии с требованиями стандарта ISO 9001.
Производительность насоса до 1550 м3/час, предельный вакуум 200 мбар.
Расход сервисной жидкости 73,3 л/мин. При выключенном насосе внутри остается жидкость в объеме 28 литров.
Насос оснащен трехфазным двигателем 380 В, мощностью 45,0 кВт, 960 оборотов в минуту.
Габаритный чертеж вакуумного насоса Pompetravaini TRSE 125-1550 F
Габаритный чертеж вакуумного насоса Pompetravaini TRSE 125-1550 F
Кривые производительности
У нас пока нет отзывов по этой модели.
В настоящее время никто вопросов не задавал. Вы можете быть первым.




































_1.jpg)




























































































































































































































































Гарантия 12 мес.