Описание модели TRHE 40-190 F
Водокольцевой вакуумный насос Pompetravaini TRHE 40-190 F откачивает закрытые объемы сухих и влажных газов до остаточного вакуума 33 мбар. Это двухступенчатый насос с фланцевыми патрубками 40 мм, выходной патрубок первой камеры соединен манифольдом с входным патрубком второй камеры. Насос может поставляться как в консольном (на раме), так и в моноблочном исполнении с муфтой. Корпус, проточная часть и рабочие колеса выполнены из чугуна, вал из нержавеющей стали (AISI 420). Насос производится итальянской компанией Pompetravaini в соответствии с требованиями стандарта ISO 9001.
Производительность насоса до 190 м3/час, предельный вакуум 33 мбар.
Расход сервисной жидкости 14,2 л/мин. При выключенном насосе внутри остается жидкость в объеме 6,5 литров.
Насос оснащен трехфазным двигателем 380 В, мощностью 5,5 кВт, 1450 оборотов в минуту.
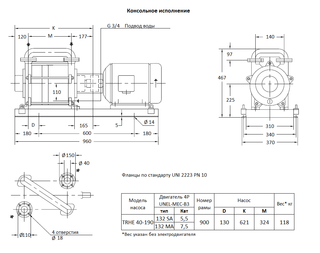
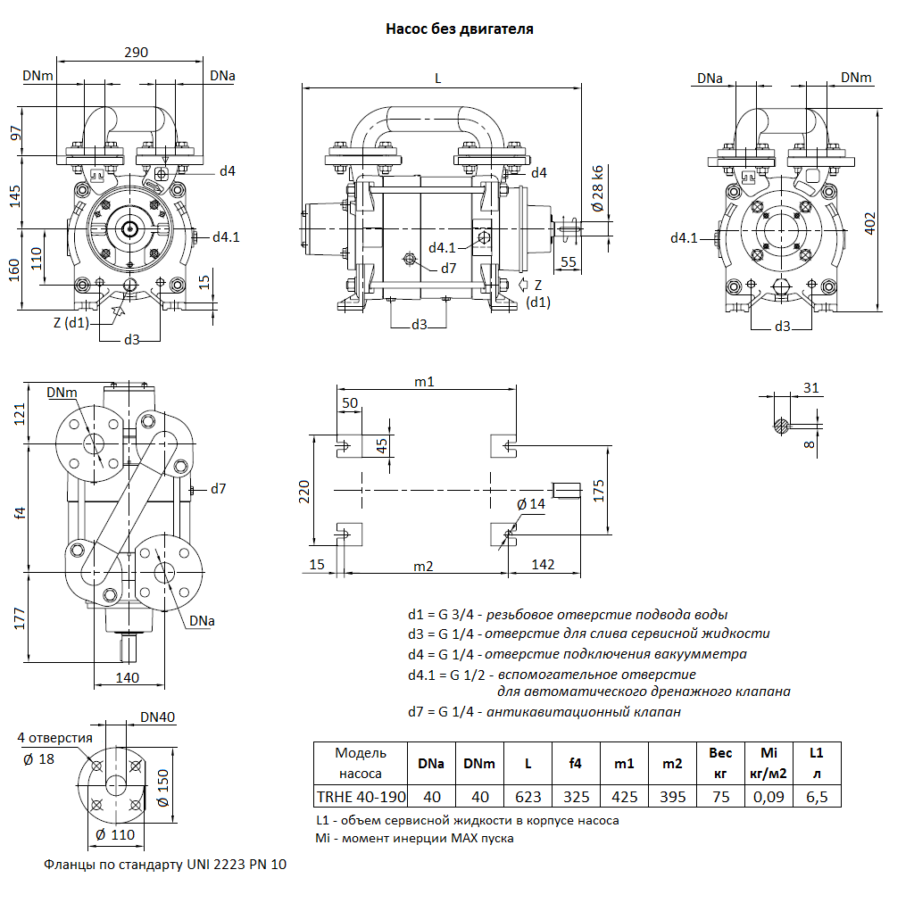
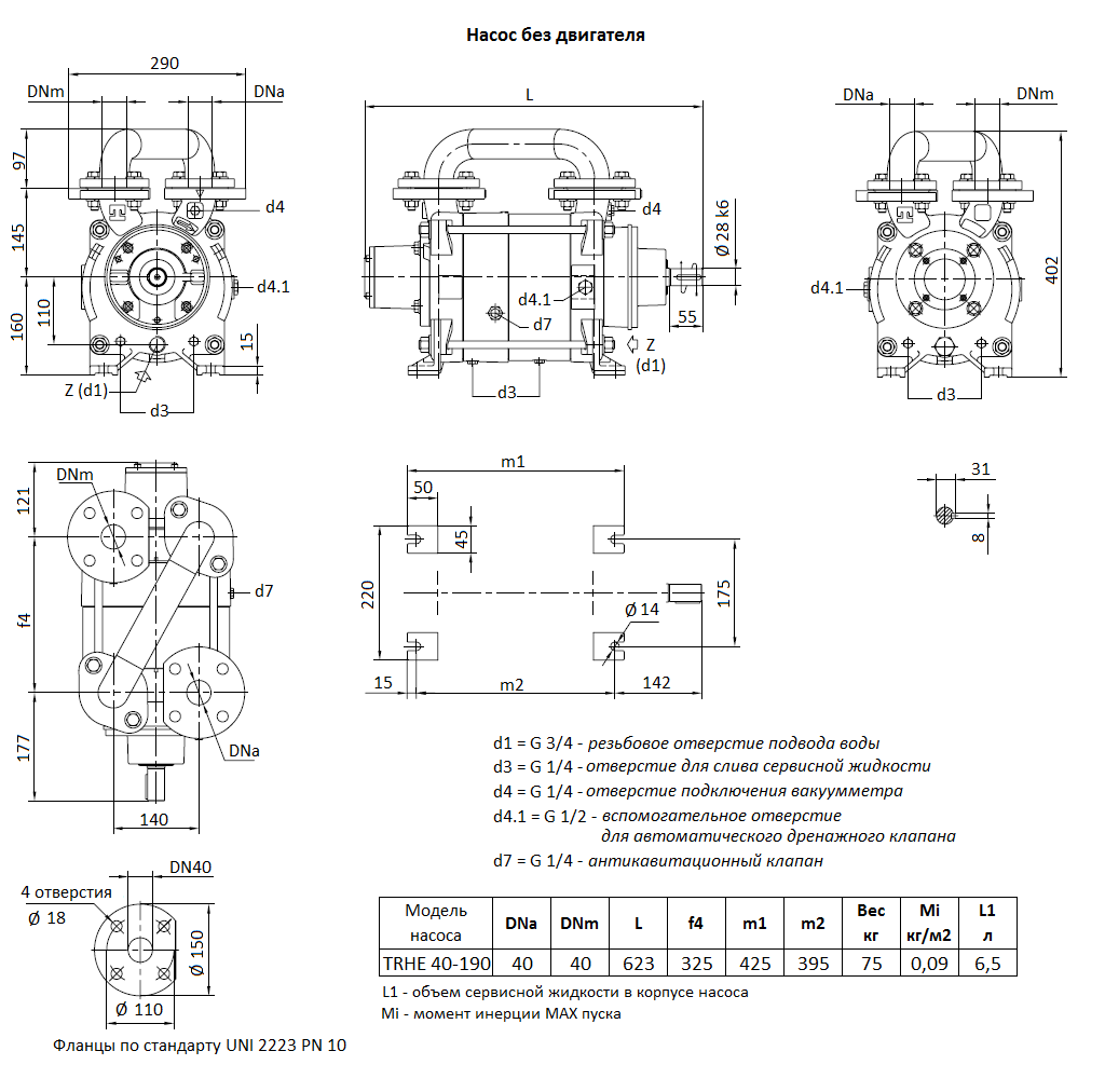
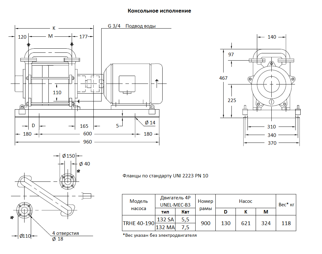
Габаритный чертеж вакуумного насоса Pompetravaini TRHE 40-190 F
Габаритный чертеж вакуумного насоса Pompetravaini TRHE 40-190 F
Габаритный чертеж вакуумного насоса Pompetravaini TRHE 40-190 F
Кривые производительности
У нас пока нет отзывов по этой модели.
В настоящее время никто вопросов не задавал. Вы можете быть первым.




































_1.jpg)




























































































































































































































































Гарантия 12 мес.