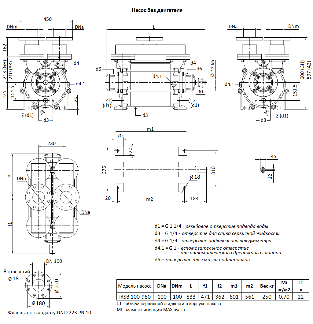
Описание модели TRSB 100-980* GH
Водокольцевой вакуумный насос Pompetravaini TRSB 100-980* GH производит вакуум в закрытых емкостях путем откачки воздуха, газа, конденсирующихся паров. Это мощный одноступенчатый насос с фланцевыми патрубками 100 мм, соединенными друг с другом посредством манифольда. Насос может поставляется как в консольном (на раме), так и в моноблочном исполнении с муфтой. Корпус и проточная часть насоса выполнены из чугуна, вал из нержавеющей стали (AISI 420), рабочее колесо из бронзы. Насос производится итальянской компанией Pompetravaini в соответствии с требованиями стандарта ISO 9001.
Производительность насоса до 980 м3/час, предельный вакуум 200 мбар.
Расход рабочей жидкости 83,3 л/мин. При выключенном насосе внутри остается жидкость в объеме 22 литров.
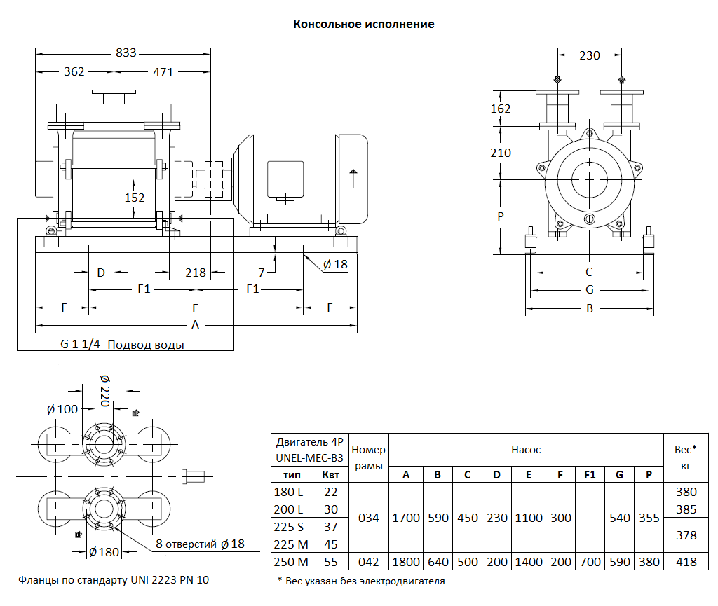
Насос оснащен двигателем 380 В, мощностью 30,0 кВт, 1450 оборотов/минуту.
Габаритный чертеж вакуумного насоса Pompetravaini TRSB 100-980* GH
Габаритный чертеж вакуумного насоса Pompetravaini TRSB 100-980* GH
Габаритный чертеж вакуумного насоса Pompetravaini TRSB 100-980* GH
Кривые производительности
У нас пока нет отзывов по этой модели.
В настоящее время никто вопросов не задавал. Вы можете быть первым.




































_1.jpg)




























































































































































































































































Гарантия 12 мес.