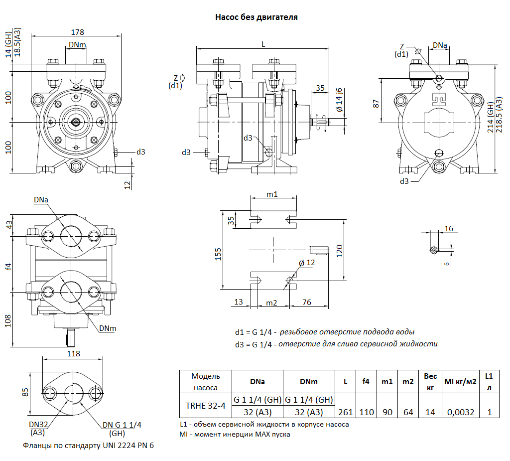
Описание модели TRHE 32-4 GH
Водокольцевой вакуумный насос Pompetravaini TRHE 32-4 GH откачивает закрытые объемы сухих и влажных газов до остаточного вакуума 80 мбар. Это двухступенчатый насос с фланцевыми патрубками 32 мм, выходной патрубок первой камеры соединен манифольдом с входным патрубком второй камеры. Насос может поставляться как в консольном (на раме), так и в моноблочном исполнении с муфтой. Корпус и проточная часть насоса выполнены из чугуна, вал из нержавеющей стали (AISI 420), рабочие колеса из бронзы. Насос производится итальянской компанией Pompetravaini в соответствии с требованиями стандарта ISO 9001.
Производительность насоса до 4,4 м3/час, предельный вакуум 80 мбар.
Расход сервисной жидкости 2,7 л/мин. При выключенном насосе внутри остается жидкость в объеме 1 литра.
Насос оснащен трехфазным двигателем 380/220 В, мощностью 0,55 кВт, 1450 оборотов в минуту.
Габаритный чертеж вакуумного насоса Pompetravaini TRHE 32-4 GH
Габаритный чертеж вакуумного насоса Pompetravaini TRHE 32-4 GH
Габаритный чертеж вакуумного насоса Pompetravaini TRHE 32-4 GH
Кривые производительности
У нас пока нет отзывов по этой модели.
В настоящее время никто вопросов не задавал. Вы можете быть первым.




































_1.jpg)




























































































































































































































































Гарантия 12 мес.