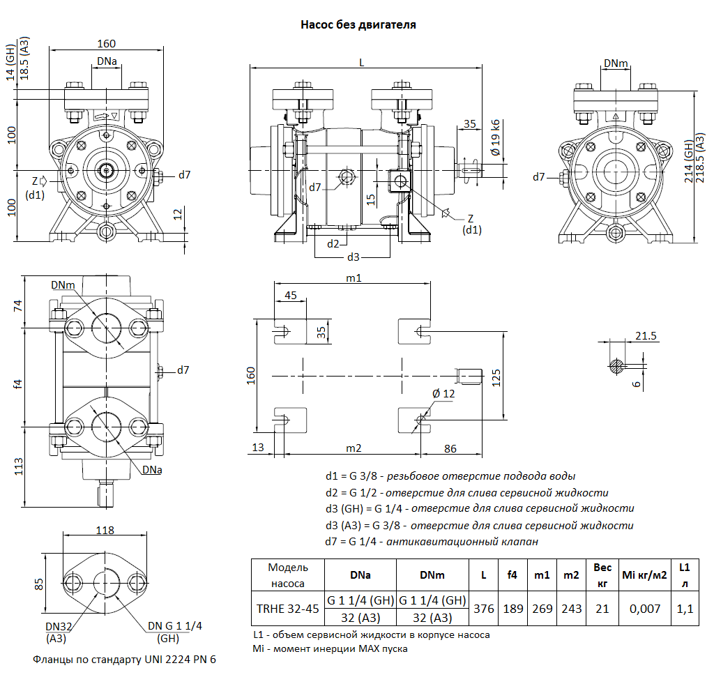
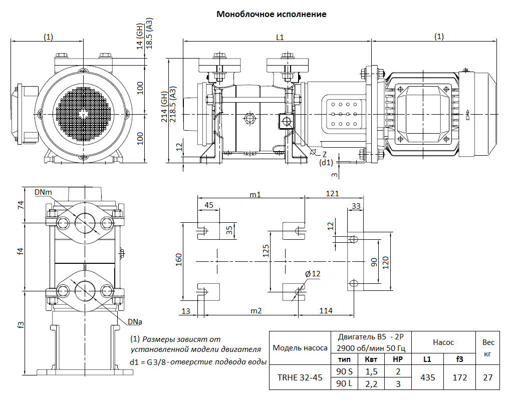
Описание модели TRHE 32-45 RX
Водокольцевой вакуумный насос Pompetravaini TRHE 32-45 RX откачивает закрытые объемы сухих и влажных газов до остаточного вакуума 40 мбар. Это двухступенчатый насос с фланцевыми патрубками 32 мм, выходной патрубок первой камеры соединен манифольдом с входным патрубком второй камеры. Насос может поставляться как в консольном (на раме), так и в моноблочном исполнении с муфтой. Корпус и проточная часть выполнены из чугуна, вал из нержавеющей стали (AISI 420), рабочие колеса из нержавеющей стали (AISI 304). Насос производится итальянской компанией Pompetravaini в соответствии с требованиями стандарта ISO 9001.
Производительность насоса до 45 м3/час, предельный вакуум 40 мбар.
Расход сервисной жидкости 5,0 л/мин. При выключенном насосе внутри остается жидкость в объеме 1,1 литра.
Насос оснащен трехфазным двигателем 380/220 В, мощностью 1,5 кВт, 2900 оборотов в минуту.
Габаритный чертеж вакуумного насоса Pompetravaini TRHE 32-45 RX
Габаритный чертеж вакуумного насоса Pompetravaini TRHE 32-45 RX
Габаритный чертеж вакуумного насоса Pompetravaini TRHE 32-45 RX
Кривые производительности
У нас пока нет отзывов по этой модели.
В настоящее время никто вопросов не задавал. Вы можете быть первым.




































_1.jpg)




























































































































































































































































Гарантия 12 мес.