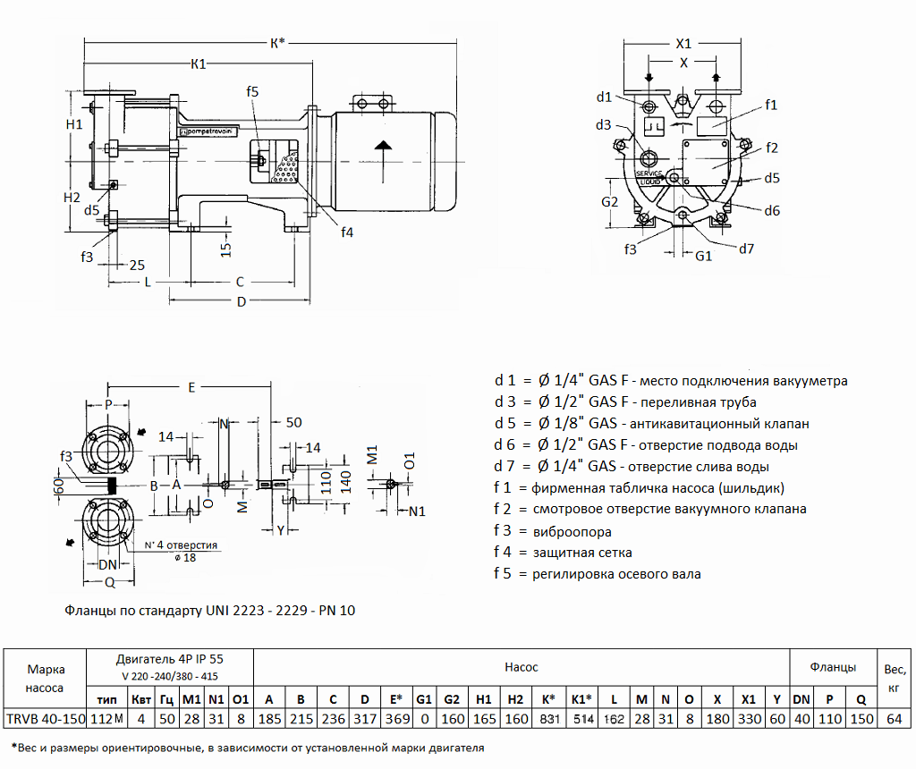
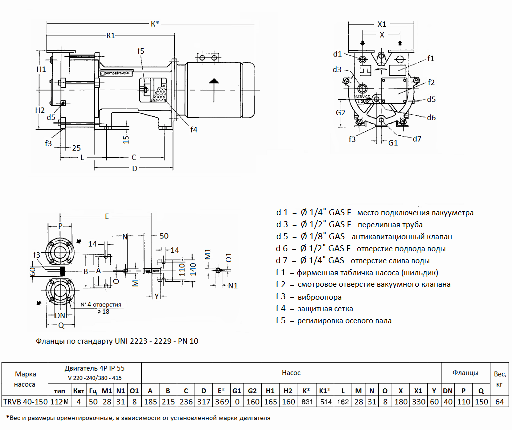
Описание модели TRVB 40-150 F
Водокольцевой вакуумный насос Pompetravaini TRVB 40-150 F предназначен для создания вакуума в закрытых емкостях. Это моноблочный одноступенчатый насос с фланцевыми патрубками 40 мм, рабочее колесо и двигатель соединены посредством муфты и могут быть заменены по отдельности. Корпус, проточная часть и рабочее колесо насоса выполнены из чугуна, вал из нержавеющей стали (AISI 420). Насос производится итальянской компанией Pompetravaini, применяется в центральных вакуумных и осушительных системах, при деаэрации, вакуумной фильтрации.
На большей части рабочего диапазона насоса сохраняется высокая производительность до 150 м3/час с равномерным распределением остаточного давления до итогового значения 33 мбар. Расход сервисной жидкости 1,2 м3/час (20 л/мин).
Насос оснащен трехфазным двигателем 380 В (50 Гц), 4P (1450 об/мин), мощностью 4 кВт.
Габаритный чертеж вакуумного насоса Pompetravaini TRVB 40-150 F
Кривые производительности
У нас пока нет отзывов по этой модели.
В настоящее время никто вопросов не задавал. Вы можете быть первым.




































_1.jpg)




























































































































































































































































Гарантия 12 мес.