Описание модели TRMB 50-300 F
Одноступенчатый вакуумный насос Pompetravaini TRMB 50-300 F предназначен для создания вакуума в закрытых емкостях. Это моноблочный насос с фланцевыми патрубками 40 мм. Корпус, проточная часть и рабочее колесо насоса выполнены из чугуна, вал из нержавеющей стали (AISI 420). Насос производится итальянской компанией Pompetravaini, используется в центральных вакуумных и осушительных системах, при дегазации жидкостей, вакуумной фильтрации.
Производительность насоса до 300 м3/час. Предельный вакуум 33 мбар.
Расход сервисной жидкости 27 л/мин.
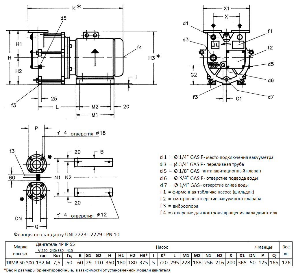
Насос оснащен трехфазным двигателем 380 В (50 Гц), 4P (1450 об/мин), мощностью 7,5 кВт. Степень защиты IP 55.
Производительность насоса до 300 м3/час. Предельный вакуум 33 мбар.
Расход сервисной жидкости 27 л/мин.
Насос оснащен трехфазным двигателем 380 В (50 Гц), 4P (1450 об/мин), мощностью 7,5 кВт. Степень защиты IP 55.
Габаритный чертеж вакуумного насоса Pompetravaini TRMB 50-300 F
Кривые производительности
У нас пока нет отзывов по этой модели.
В настоящее время никто вопросов не задавал. Вы можете быть первым.




































_1.jpg)




























































































































































































































































Гарантия 12 мес.