Видео
Выбираем насос для химии
Как выбрать насос для кислоты и другой химии
Промывка мембранников
Промой мембранный насос правильно
Активный и пассивный демпферы пульсаций. Сравнительный тест.
Описание модели G15AS
Мембранный пневматический насос Yamada G15AS (Япония) - это самовсасывающий насос, выполненный из износостойких материалов. Корпус насоса выполнен из алюминия, а мембраны из сантопрена.
Высокий запас прочности конструкции и традиционно высокое качество изготовления Yamada обеспечивают насосу G15AS один из самых длительных на рынке срок службы (до 10 лет) при интенсивной эксплуатации.
Yamada G15AS - это один из самых энергоэффективных мембранных насосов в мире в своем классе
- Низкий расход воздуха позволяет добиваться существенной экономии энергии, необходимой для работы компрессора или центральной компрессорной линии.
- Низкий расход сжатого воздуха позволяет экономить ресурс компрессора, необходимого для работы мембранного насоса.
- Низкий расход воздуха позволяет выбрать компрессор невысокой производительности и существенно сэкономить на его покупке.
- Экономия сжатого воздуха насоса G15AS составляет 30-70% по сравнению с другими насосами. Для сравнения посмотрите сравнительную таблицу потребления сжатого воздуха насосов разных брендов (присоединение 15 мм или G1/2") при расходе воды 30 л/мин и давлении воды 2,7 бар.
| Yamada G15AS (Япония) | Wilden P1AA (США) | Sandpiper S05B1A (США) | Graco Husky 716 (США) | Jofee MK-15PP (Китай) | ARO PD05R-BAS-FAA (США) | BSK BP-15CS (Китай) | |
| Потребление сжатого воздуха при расходе 30 л/мин и давлении 2,7 бар | 200 л/мин | 200 л/мин | 366л/мин | 400 л/мин | 400 л/мин | 600 л/мин | 600 л/мин |
Преимущества японского насоса G15AS по сравнению с насосами американских, европейских и тем более китайских марок
| ![]() |
- Насосы Yamada способны работать в условиях, когда все другие насосы разваливаются. Пожалуй, только насосы ARO и Graco (оригинальной американской, а не китайской сборки) способны хоть как-то соперничать с Yamada по долговечности.
- Благодаря уникальным материалам насосы Yamada не имеют смазки в пневматическом клапане. Поэтому производительность насоса Yamada остается стабильной на протяжении многих лет. У конкурентов для уплотнения пневмопривода используется смазка, которая со временем "выветривается". Производительность других насосов начинает снижаться уже через несколько месяцев эксплуатации.
- Насос G15AS как и все прочие насосы Yamada способен запускаться уже при давлении 0,6 бар. Американцы запускаются при 1-1,3 бар, китайцы при 1,5-2 бар. Это преимущество позволяет использовать Yamada при недостатке сжатого воздуха в линии или при необходимости обеспечить очень низкую производительность насоса в некоторых производственных режимах.
- Насос G15AS обладает высочайшей энергоэффективностью по сравнению с конкурентами. Для его работы потребуется существенно меньше сжатого воздуха. Для сравнения посмотрите сравнительную таблицу потребления сжатого воздуха при расходе воды 30 л/мин и давлении 2,7 бар.
Преимущества насоса Yamada G15AS по сравнению со старой моделью Yamada NDP-15BAS
Сначала посмотрите на сравнительную таблицу параметров новой модели по сравнению со старой.
| Новый насос Yamada G15AS | Предыдущий насоc Yamada NDP-15BAS | |
| Максимальная производительность | 3,6 м³/час (60 л/мин.) | 3,3 м³/час (55 л/мин) |
| Расход воздуха при расходе 30 л/мин и давлении 2,7 бар | 200 л/мин | 240 л/мин |
| Высота самовсоса | 4 метра | 2,4 метра |
| Надежность пуска при частых остановках | Высочайшая | Средняя (на уровне конкурентов) |
| Удобство сборки и разборки | Высокая (мало деталей) | Низкая (больше деталей) |
Из таблицы можете показаться, будто старый насос NDP-15BAS был неудачным. Но это не так. Это была одна из лучших моделей в классе. Просто новый насос G15AS поднял планку на еще более высокий уровень. В новой модели увеличена производительность и снижен расход сжатого воздуха.
Кроме того, Yamada устранила некоторые слабые места модели NDP-15BAS: невысокий самовсос, заклинивание (редкое но все же) насоса при частых остановках и пусках. В новой модели существенно уменьшено количество деталей из-за чего сборка и разборка насоса при тех. обслуживании заметно проще.
Технические параметры и ограничения
- Насос Yamada G15AS работает от энергии сжатого воздуха с давлением до 7 бар.
- Насос оснащен не требующим внутренней смазки пневмоприводом, выходящий из насоса воздух не содержит масла и остается таким же, что и подавался на привод.
- Температура жидкости должна быть от 0 до +100 °C (гарантированно допустимая температура +60 °C).
- Максимальная вязкость жидкости 5 000 сСт.
- Насос допускает твердые частицы в жидкости диаметром до 1 мм.
- Производительность модели 0,3 – 3,6 м3/ч (5 - 60 л/мин)
- Наибольший напор равен 70 м (7 бар).
- Рабочее давление воздуха от 1,4 до 7 бар.
- За один цикл насос перекачивает 150-170 см3 жидкости. Максимальная скорость работы 400 циклов в минуту.
- Размер впускного и напорного патрубков 1/2 " (15 мм) NPT. Присоединение пневмопривода 1/4 " (6 мм) NPT.
- Высота самовсоса под заливом до 7 метров, всухую - до 4 метров.
- При соблюдении химической совместимости материалов насоса к жидкости, он может использоваться как погружной.
- Максимальный расход воздуха 500 л/мин.
- Уровень шума при максимальном давлении составляет 75 дБ.
Материалы конструкции
Пневмопривод Yamada - шедевр инженерной мысли
Одно из ключевых преимуществ насосы Yamada получили благодаря уникальному пневмоприводу. Китайские производители более или менее успешно смогли скопировать конструкции многих американских насосов, однако японская модель оказалась им не по зубам.
В насосах NDP применяются унифицированные патентованные воздушные клапаны собственного производства с пружинами особой конструкции, которые обеспечивают исключительную прочность и долговечность. Конструкция гарантированно выдерживает более 300 миллионов рабочих циклов.

Изображение 2. Пневмопривод Yamada в разрезе на примере модели NDP-50. Единственная конструкция, которая не использует смазку для уплотнения или снижения трения.
Ключевые преимущества пневмопривода Yamada:

Изображение 3. Унифицированные запатентованные клапаны Yamada. Воздушный клапан является ключевой деталью пневмопривода. Он отвечает за попеременную подачу воздуха то к левой, то к правой камере насоса. Направляющий (пилотный) клапан пневмопривода расположен отдельно от основного воздушного клапана. Это парная независимая деталь отвечает за переключение основного воздушного клапана.
Пара направляющих (пилотный) клапан пневмопривода Yamada полностью независима от основного воздушного клапана. Пилотный клапан тоже имеет свои преимущества:
График рабочих характеристик насоса Yamada G15AS
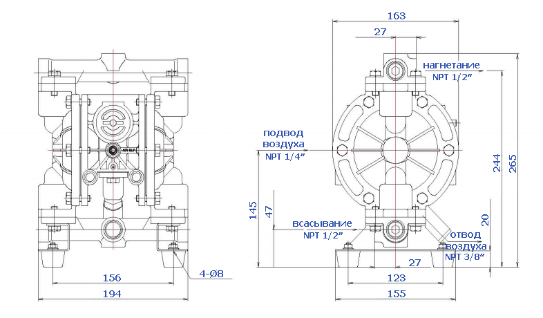
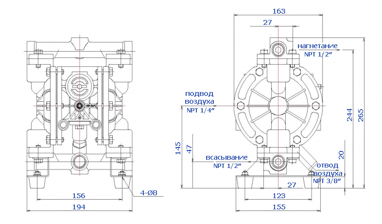
Габаритный чертеж насоса Yamada G15AS
Области применения
- Пищевое производство;
- Печатная промышленность;
- Лакокрасочная промышленность;
- Фармацевтика;
- Производство керамики;
- Горнодобывающая промышленность;
- Нефтеперерабатывающая промышленность;
- Автомобильная промышленность;
- Химическая промышленность;
- Водоподготовка;
- Перекачивание сточных вод и чистящих средств для промывки оборудования, смазывающих и охлаждающих жидкостей.
Комплект поставки
- Насос - 1 шт.
- Инструкция по эксплуатации
- Воздушный клапан - 1 шт.
Комплект поставки разных моделей может отличаться. Подробное описание каждого комплекта смотрите в инструкции по эксплуатации.




































_1.jpg)





























































































































































































































































Гарантия 12 мес.

