Видео
Выбираем насос для химии
Как выбрать насос для кислоты и другой химии
Промывка мембранников
Промой мембранный насос правильно
Активный и пассивный демпферы пульсаций. Сравнительный тест.
Описание модели NDP-50BSS

Материалы конструкции
- корпус насоса из нержавеющей стали (AISI 316)
- мембраны (диафрагмы) из Сантопрена (TRO)
- шариковые клапаны из сантопрена, седла клапанов из нержавеющей стали
- корпус пневмопривода из алюминия.
Пневмопривод Yamada - шедевр инженерной мысли
Одно из ключевых преимуществ насосы Yamada получили благодаря уникальному пневмоприводу. Китайские производители более или менее успешно смогли скопировать конструкции многих американских насосов, однако японская модель оказалась им не по зубам.
В насосах NDP применяются унифицированные патентованные воздушные клапаны собственного производства с пружинами особой конструкции, которые обеспечивают исключительную прочность и долговечность. Конструкция гарантированно выдерживает более 300 миллионов рабочих циклов.

Изображение 2. Пневмопривод Yamada в разрезе на примере модели NDP-50. Единственная конструкция, которая не использует смазку для уплотнения или снижения трения.
Ключевые преимущества пневмопривода Yamada:

Изображение 3. Унифицированные запатентованные клапаны Yamada. Воздушный клапан является ключевой деталью пневмопривода. Он отвечает за попеременную подачу воздуха то к левой, то к правой камере насоса. Направляющий (пилотный) клапан пневмопривода расположен отдельно от основного воздушного клапана. Это парная независимая деталь отвечает за переключение основного воздушного клапана.
Пара направляющих (пилотный) клапан пневмопривода Yamada полностью независима от основного воздушного клапана. Пилотный клапан тоже имеет свои преимущества:
График рабочих характеристик насоса Yamada NDP-50BSS
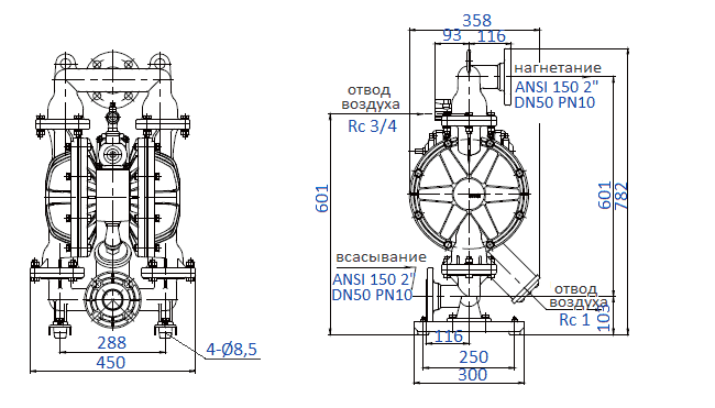
Габаритный чертеж насоса Yamada NDP-50BSS
Области применения
- Пищевое производство;
- Печатная промышленность;
- Лакокрасочная промышленность;
- Фармацевтика;
- Производство керамики;
- Горнодобывающая промышленность;
- Нефтеперерабатывающая промышленность;
- Автомобильная промышленность;
- Химическая промышленность;
- Водоподготовка;
- Перекачивание сточных вод и чистящих средств для промывки оборудования, смазывающих и охлаждающих жидкостей.
Комплект поставки
- Насос - 1 шт.
- Инструкция по эксплуатации
- Воздушный клапан - 1 шт.
Комплект поставки разных моделей может отличаться. Подробное описание каждого комплекта смотрите в инструкции по эксплуатации.




































_1.jpg)





























































































































































































































































Гарантия 12 мес.
