Видео
Выбираем насос для химии
Как выбрать насос для кислоты и другой химии
Промывка мембранников
Промой мембранный насос правильно
Активный и пассивный демпферы пульсаций. Сравнительный тест.
Описание модели G15PT
Мембранный пневматический насос Yamada G15PT (Япония) - это самовсасывающий насос, выполненный из химически стойких материалов. Корпус насоса выполнен из чистого полипропилена, а мембраны из тефлона. Благодаря этому насос отлично подходит для перекачивания агрессивных жидкостей, в том числе вязких и загрязненных.
Насос работает от сжатого воздуха (не от электричества).
Высокий запас прочности конструкции и традиционно высокое качество изготовления Yamada обеспечивают насосу G15PT один из самых длительных на рынке срок службы (до 10 лет) при интенсивной эксплуатации.
Yamada G15PT - это самый энергоэффективный мембранный насос в мире в своем классе
- Низкий расход воздуха позволяет добиваться существенной экономии энергии, необходимой для работы компрессора или центральной компрессорной линии.
- Низкий расход сжатого воздуха позволяет экономить ресурс компрессора, необходимого для работы мембранного насоса.
- Низкий расход воздуха позволяет выбрать компрессор невысокой производительности и существенно сэкономить на его покупке.
- Экономия сжатого воздуха насоса G15PT составляет 30-70% по сравнению с другими насосами. Для сравнения посмотрите сравнительную таблицу потребления сжатого воздуха насосов разных брендов (присоединение 15 мм или G1/2") при расходе воды 30 л/мин и давлении воды 2,7 бар.
| Yamada G15PT (Япония) | Sandpiper S05B2P (США) | Wilden P100PP (США) | Graco Husky 515 (США) | Jofee MK-15PP (Китай) | PD05P-BRS-PTT (Китай) | BSK BP-15PP (Китай) | |
| Потребление сжатого воздуха при расходе 30 л/мин и давлении 2,7 бар | 200 л/мин | 366 л/мин | 400 л/мин | 400 л/мин | 400 л/мин | 600 л/мин | 600 л/мин |
Преимущества японского насоса G15PT по сравнению с насосами американских, европейских и тем более китайских марок
| ![]() |
- Насосы Yamada способны работать в условиях, когда все другие насосы разваливаются. Пожалуй, только насосы ARO и Graco (оригинальной американской, а не китайской сборки) способны хоть как-то соперничать с Yamada по долговечности.
- Благодаря уникальным материалам насосы Yamada не имеют смазки в пневматическом клапане. Поэтому производительность насоса Yamada остается стабильной на протяжении многих лет. У конкурентов для уплотнения пневмопривода используется смазка, которая со временем "выветривается". Производительность других насосов начинает снижаться уже через несколько месяцев эксплуатации.
- Насос G15PT как и все прочие насосы Yamada способен запускаться уже при давлении 0,6 бар. Американцы запускаются при 1-1,3 бар, китайцы при 1,5-2 бар. Это преимущество позволяет использовать Yamada при недостатке сжатого воздуха в линии или при необходимости обеспечить очень низкую производительность насоса в некоторых производственных режимах.
Преимущества насоса Yamada G15PT по сравнению со старой моделью Yamada NDP-15FPT
Сначала посмотрите на сравнительную таблицу параметров новой модели по сравнению со старой.
| Новый насос Yamada G15PT | Предыдущий насоc Yamada NDP-15FPT | |
| Максимальная производительность | 3,6 м³/час (60 л/мин.) | 3,1 м³/час (51 л/мин) |
| Расход воздуха при расходе 30 л/мин и давлении 2,7 бар | 200 л/мин | 240 л/мин |
| Высота самовсоса | 3,6 метра | 2,4 метра |
| Надежность пуска при частых остановках | Высочайшая | Средняя (на уровне конкурентов) |
| Удобство сборки и разборки | Высокая (мало деталей) | Низкая (больше деталей) |
Из таблицы можете показаться, будто старый насос NDP-15FPT был неудачным. Но это не так. Это была одна из лучших моделей в классе. Просто новый насос G15PT поднял планку на еще более высокий уровень. В новой модели увеличена производительность и снижен расход сжатого воздуха.
Кроме того, Yamada устранила некоторые слабые места модели NDP-15FPT: невысокий самовсос, заклинивание (редкое но все же) насоса при частых остановках и пусках. В новой модели существенно уменьшено количество деталей из-за чего сборка и разборка насоса при тех. обслуживании заметно проще.
Технические параметры и ограничения
- Насос Yamada G15PT работает от энергии сжатого воздуха с давлением до 7 бар.
- Насос оснащен не требующим внутренней смазки пневмоприводом, выходящий из насоса воздух не содержит масла и остается таким же, что и подавался на привод.
- Температура жидкости должна быть от 0 до +82 °C (гарантированно допустимая температура +60 °C).
- Максимальная вязкость жидкости 5 000 сСт.
- Насос допускает твердые частицы в жидкости диаметром до 1 мм.
- Производительность модели 0,3 – 3,6 м3/ч (5 - 60 л/мин)
- Наибольший напор равен 70 м (7 бар).
- Рабочее давление воздуха от 1,4 до 7 бар.
- За один цикл насос перекачивает 150-170 см3 жидкости. Максимальная скорость работы 400 циклов в минуту.
- Размер впускного и напорного патрубков 1/2 " (15 мм) BSPT. Присоединение пневмопривода 1/4 " (6 мм) BSPT.
- Высота самовсоса под заливом до 7 метров, всухую - до 3,6 метров.
- При соблюдении химической совместимости материалов насоса к жидкости, он может использоваться как погружной.
- Максимальный расход воздуха 500 л/мин.
- Уровень шума при максимальном давлении составляет 75 дБ.
Материалы конструкции
Пневмопривод Yamada - шедевр инженерной мысли
Одно из ключевых преимуществ насосы Yamada получили благодаря уникальному пневмоприводу. Китайские производители более или менее успешно смогли скопировать конструкции многих американских насосов, однако японская модель оказалась им не по зубам.
В насосах NDP применяются унифицированные патентованные воздушные клапаны собственного производства с пружинами особой конструкции, которые обеспечивают исключительную прочность и долговечность. Конструкция гарантированно выдерживает более 300 миллионов рабочих циклов.

Изображение 2. Пневмопривод Yamada в разрезе на примере модели NDP-50. Единственная конструкция, которая не использует смазку для уплотнения или снижения трения.
Ключевые преимущества пневмопривода Yamada:

Изображение 3. Унифицированные запатентованные клапаны Yamada. Воздушный клапан является ключевой деталью пневмопривода. Он отвечает за попеременную подачу воздуха то к левой, то к правой камере насоса. Направляющий (пилотный) клапан пневмопривода расположен отдельно от основного воздушного клапана. Это парная независимая деталь отвечает за переключение основного воздушного клапана.
Пара направляющих (пилотный) клапан пневмопривода Yamada полностью независима от основного воздушного клапана. Пилотный клапан тоже имеет свои преимущества:
График рабочих характеристик насоса Yamada G15PT
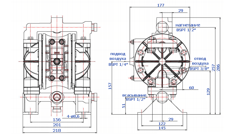
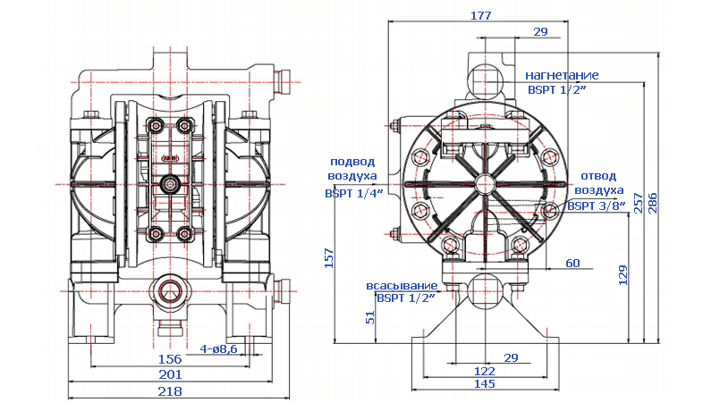
Габаритный чертеж насоса Yamada G15PT
Области применения
- Пищевое производство;
- Печатная промышленность;
- Лакокрасочная промышленность;
- Фармацевтика;
- Производство керамики;
- Горнодобывающая промышленность;
- Нефтеперерабатывающая промышленность;
- Автомобильная промышленность;
- Химическая промышленность;
- Водоподготовка;
- Перекачивание сточных вод и чистящих средств для промывки оборудования, смазывающих и охлаждающих жидкостей.
Комплект поставки
- Насос - 1 шт.
- Инструкция по эксплуатации
- Воздушный клапан - 1 шт.
Комплект поставки разных моделей может отличаться. Подробное описание каждого комплекта смотрите в инструкции по эксплуатации.




































_1.jpg)
































































































































































































































































Гарантия 12 мес.

